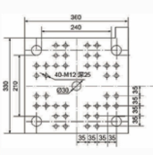
IJTS30 Veja as especificações ESPECIFICAÇÃO UNID IJTS30 UNIDADE DE INJEÇÃO A B Diâmetro da rosca mm 2325 Relação L/D da rosca L/D 1816.5 Volume teórico de injeção cm³ 3137 Peso de injeção (PS) g 28.233.6 Pressão da injeção MPa 191179 Velocidade máx. da rosca r/min 200 UNIDADE DE APERTO Força de fechamento kN 300 Curso de abertura mm 155 Distância entre colunas (H×V) mm 240×210 Altura máxima do molde mm 220 Altura mínima do molde mm 60 Curso ejetor mm 40 Força ejetora kN 13 OUTROS Pressão máxima da bomba MPa 14 Potência do motor da bomba kW 3 Capacidade de aquecimento kW 7 Dimensões da máquina (L×W×H) m 2.7×0.9×1.5 Peso da máquina T 1 Dimensões da área da placa:
IJTS40 Veja as especificações ESPECIFICAÇÃO UNID IJTS40 UNIDADE DE INJEÇÃO A B Diâmetro da rosca mm 2730 Relação L/D da rosca L/D 20.718.7 Volume teórico de injeção cm³ 5264 Peso de injeção (PS) g 4758 Pressão da injeção MPa 207.5168 Velocidade máx. da rosca r/min 200 UNIDADE DE APERTO Força de fechamento kN 400 Curso de abertura mm 240 Distância entre colunas (H×V) mm 260×240 Altura máxima do molde mm 300 Altura mínima do molde mm 100 Curso ejetor mm 60 Força ejetora kN 25 OUTROS Pressão máxima da bomba MPa 14 Potência do motor da bomba kW 4 Capacidade de aquecimento kW 8 Dimensões da máquina (L×W×H) m 2.94×1.1×1.65 Peso da máquina T 1.7 Dimensões da área da placa:
IJTS50 Veja as especificações ESPECIFICAÇÃO UNID IJTS50 UNIDADE DE INJEÇÃO A B Diâmetro da rosca mm 2832 Relação L/D da rosca L/D 2219 Volume teórico de injeção cm³ 67.588 Peso de injeção (PS) g 61.580 Pressão da injeção MPa 207.5168 Velocidade máx. da rosca r/min 200 UNIDADE DE APERTO Força de fechamento kN 500 Curso de abertura mm 270 Distância entre colunas (H×V) mm 280×280 Altura máxima do molde mm 340 Altura mínima do molde mm 120 Curso ejetor mm 70 Força ejetora kN 25 OUTROS Pressão máxima da bomba MPa 14 Potência do motor da bomba kW 5.5 Capacidade de aquecimento kW 9 Dimensões da máquina (L×W×H) m 3.2×1.15×1.7 Peso da máquina T 2 Dimensões da área da placa:
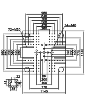
IJTS70 Veja as especificações ESPECIFICAÇÃO UNID IJTS70 UNIDADE DE INJEÇÃO ABC Diâmetro da rosca mm 323436 Relação L/D da rosca L/D 22.220.919.7 Volume teórico de injeção cm³ 112.6127142.5 Peso de injeção (PS) g 102115.6129.7 Pressão da injeção MPa 215190170 Velocidade máx. da rosca r/min 200 UNIDADE DE APERTO Força de fechamento kN 700 Curso de abertura mm 300 Distância entre colunas (H×V) mm 330×330 Tamanho do gabarito mm – Altura máxima do molde mm 360 Altura mínima do molde mm 130 Curso ejetor mm 80 Força ejetora kN 31 Pontos de ejeção – OUTROS Pressão máxima da bomba MPa 14 Potência do motor da bomba kW 11 Capacidade de aquecimento kW 10 Volume do tanque de óleo L – Dimensões da máquina (L×W×H) m 3.6×1.15×1.7 Peso da máquina T 2.5 Dimensões da área da placa:
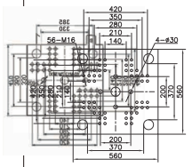
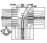
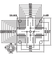
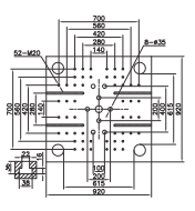
IJTS110 Veja as especificações ESPECIFICAÇÃO UNID IJTS110 UNIDADE DE INJEÇÃO ABC Diâmetro da rosca mm 303538 Relação L/D da rosca L/D 232018.4 Volume teórico de injeção cm³ 120163192 Peso de injeção (PS) g 109149175 Pressão da injeção MPa 264194186 Velocidade máx. da rosca r/min 213 UNIDADE DE APERTO Força de fechamento kN 1100 Curso de abertura mm 345 Distância entre colunas (H×V) mm 370×370 Tamanho do gabarito mm 560×560 Altura máxima do molde mm 380 Altura mínima do molde mm 150 Curso ejetor mm 90 Força ejetora kN 38 Pontos de ejeção 5 OUTROS Pressão máxima da bomba MPa 17.5 Potência do motor da bomba kW 13.4 Capacidade de aquecimento kW 7.5 Volume do tanque de óleo L 200 Dimensões da máquina (L×W×H) m 4.4×1.15×1.6 Peso da máquina T 3.4 Dimensões da área da placa:
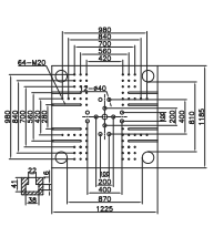
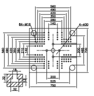
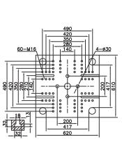
IJTS140 Veja as especificações ESPECIFICAÇÃO UNID IJTS140 UNIDADE DE INJEÇÃO ABC Diâmetro da rosca mm 384245 Relação L/D da rosca L/D 222018.6 Volume teórico de injeção cm³ 226277318 Peso de injeção (PS) g 206252289 Pressão da injeção MPa 177145126 Velocidade máx. da rosca r/min 222 UNIDADE DE APERTO Força de fechamento kN 1400 Curso de abertura mm 390 Distância entre colunas (H×V) mm 420×420 Tamanho do gabarito mm 620×610 Altura máxima do molde mm 460 Altura mínima do molde mm 160 Curso ejetor mm 122 Força ejetora kN 53 Pontos de ejeção 5 OUTROS Pressão máxima da bomba MPa 17.5 Potência do motor da bomba kW 16.4 Capacidade de aquecimento kW 9.3 Volume do tanque de óleo L 220 Dimensões da máquina (L×W×H) m 4.6×1.31×1.62 Peso da máquina T 4.1 Dimensões da área da placa:
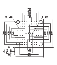
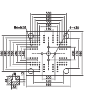
IJTS170 Veja as especificações ESPECIFICAÇÃO UNID IJTS170 UNIDADE DE INJEÇÃO ABC Diâmetro da rosca mm 424550 Relação L/D da rosca L/D 21.42018 Volume teórico de injeção cm³ 325374461 Peso de injeção (PS) g 296340420 Pressão da injeção MPa 175152123 Velocidade máx. da rosca r/min 208 UNIDADE DE APERTO Força de fechamento kN 1700 Curso de abertura mm 435 Distância entre colunas (H×V) mm 470×470 Tamanho do gabarito mm 695×690 Altura máxima do molde mm 550 Altura mínima do molde mm 180 Curso ejetor mm 135 Força ejetora kN 62 Curso de ejeção mm 5 OUTROS Pressão máxima da bomba MPa 17.5 Potência do motor da bomba kW 26.7 Capacidade de aquecimento kW 12.3 Volume do tanque de óleo L 260 Dimensões da máquina (L×W×H) m 5.1×1.52×1.84 Peso da máquina T 5.1 Dimensões da área da placa:
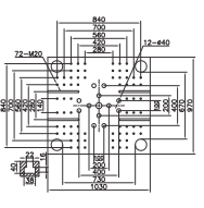
IJTS180 Veja as especificações ESPECIFICAÇÃO UNID IJTS180 UNIDADE DE INJEÇÃO ABC Diâmetro da rosca mm 455055 Relação L/D da rosca L/D 222018.5 Volume teórico de injeção cm³ 374461558 Peso de injeção (PS) g 340420508 Pressão da injeção MPa 190154127 Velocidade máx. da rosca r/min 200 UNIDADE DE APERTO Força de fechamento kN 1800 Curso de abertura mm 435 Distância entre colunas (H×V) mm 520×480 Tamanho do gabarito mm 750×700 Altura máxima do molde mm 530 Altura mínima do molde mm 180 Curso ejetor mm 130 Força ejetora kN 62 Curso de ejeção mm 5 OUTROS Pressão máxima da bomba MPa 17.5 Potência do motor da bomba kW 26.7 Capacidade de aquecimento kW 12.3 Volume do tanque de óleo L 260 Dimensões da máquina (L×W×H) m 5.1×1.4×2.0 Peso da máquina T 5.7 Dimensões da área da placa:
IJTS230 Veja as especificações ESPECIFICAÇÃO UNID IJTS230 UNIDADE DE INJEÇÃO ABC Diâmetro da rosca mm 455055 Relação L/D da rosca L/D 22.22018.2 Volume teórico de injeção cm³ 398491594 Peso de injeção (PS) g 362447540 Pressão da injeção MPa 221179148 Velocidade máx. da rosca r/min 228 UNIDADE DE APERTO Força de fechamento kN 2300 Curso de abertura mm 490 Distância entre colunas (H×V) mm 530×530 Tamanho do gabarito mm 780×780 Altura máxima do molde mm 550 Altura mínima do molde mm 200 Curso ejetor mm 145 Força ejetora kN 80 Curso de ejeção mm 5 OUTROS Pressão máxima da bomba MPa 17.5 Potência do motor da bomba kW 30.2 Capacidade de aquecimento kW 14.8 Volume do tanque de óleo L 360 Dimensões da máquina (L×W×H) m 5.55×1.52×1.95 Peso da máquina T 6.8 Dimensões da área da placa:
IJTS260 Veja as especificações ESPECIFICAÇÃO UNID IJTS260 UNIDADE DE INJEÇÃO ABC Diâmetro da rosca mm 505560 Relação L/D da rosca L/D 222018.3 Volume teórico de injeção cm³ 491594707 Peso de injeção (PS) g 447540643 Pressão da injeção MPa 179148124 Velocidade máx. da rosca r/min 171 UNIDADE DE APERTO Força de fechamento kN 2600 Curso de abertura mm 475 Distância entre colunas (H×V) mm 580×530 Tamanho do gabarito mm 810×740 Altura máxima do molde mm 550 Altura mínima do molde mm 200 Curso ejetor mm 140 Força ejetora kN 80 Pontos de ejeção 5 OUTROS Pressão máxima da bomba MPa 17.5 Potência do motor da bomba kW 30.2 Capacidade de aquecimento kW 14.8 Volume do tanque de óleo L 360 Dimensões da máquina (L×W×H) m 5.45×1.5×2.1 Peso da máquina T 7.2 Dimensões da área da placa:
IJTS270 Veja as especificações ESPECIFICAÇÃO UNID IJTS270 UNIDADE DE INJEÇÃO ABC Diâmetro da rosca mm 505560 Relação L/D da rosca L/D 25.32321 Volume teórico de injeção cm³ 560677805 Peso de injeção (PS) g 510615732 Pressão da injeção MPa 253209176 Velocidade máx. da rosca r/min 200 UNIDADE DE APERTO Força de fechamento kN 2700 Curso de abertura mm 560 Distância entre colunas (H×V) mm 580×580 Tamanho do gabarito mm 880×860 Altura máxima do molde mm 580 Altura mínima do molde mm 200 Curso ejetor mm 150 Força ejetora kN 91 Pontos de ejeção 9 OUTROS Pressão máxima da bomba MPa 17.5 Potência do motor da bomba kW 40.9 Capacidade de aquecimento kW 16.8 Volume do tanque de óleo L 500 Dimensões da máquina (L×W×H) m 6×1.57×2.0 Peso da máquina T 7.5 Dimensões da área da placa:
IJTS310 Veja as especificações ESPECIFICAÇÃO UNID IJTS310 UNIDADE DE INJEÇÃO ABC Diâmetro da rosca mm 556065 Relação L/D da rosca L/D 232119 Volume teórico de injeção cm³ 677805945 Peso de injeção (PS) g 615732860 Pressão da injeção MPa 209176150 Velocidade máx. da rosca r/min 200 UNIDADE DE APERTO Força de fechamento kN 3100 Curso de abertura mm 590 Distância entre colunas (H×V) mm 630×630 Tamanho do gabarito mm 920×920 Altura máxima do molde mm 630 Altura mínima do molde mm 200 Curso ejetor mm 150 Força ejetora kN 91 Pontos de ejeção 9 OUTROS Pressão máxima da bomba MPa 17.5 Potência do motor da bomba kW 40.9 Capacidade de aquecimento kW 18.8 Volume do tanque de óleo L 500 Dimensões da máquina (L×W×H) m 6.1×1.6×2.1 Peso da máquina T 8.1 Dimensões da área da placa:
IJTS330 Veja as especificações ESPECIFICAÇÃO UNID IJTS330 UNIDADE DE INJEÇÃO ABC Diâmetro da rosca mm 606570 Relação L/D da rosca L/D 23.82220.4 Volume teórico de injeção cm³ 100011741362 Peso de injeção (PS) g 91010681240 Pressão da injeção MPa 238202175 Velocidade máx. da rosca r/min 192 UNIDADE DE APERTO Força de fechamento kN 3300 Curso de abertura mm 660 Distância entre colunas (H×V) mm 680×680 Tamanho do gabarito mm 960×960 Altura máxima do molde mm 680 Altura mínima do molde mm 250 Curso ejetor mm 160 Força ejetora kN 102 Pontos de ejeção 13 OUTROS Pressão máxima da bomba MPa 17.5 Potência do motor da bomba kW 50.7 Capacidade de aquecimento kW 22.8 Volume do tanque de óleo L 560 Dimensões da máquina (L×W×H) m 6.9×1.85×2.35 Peso da máquina T 10 Dimensões da área da placa:
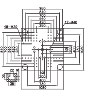
IJTS360 Veja as especificações ESPECIFICAÇÃO UNID IJTS360 UNIDADE DE INJEÇÃO ABCD Diâmetro da rosca mm 60657075 Relação L/D da rosca L/D 23222018.6 Volume teórico de injeção cm³ 1000117413621546 Peso de injeção (PS) g 910106812401407 Pressão da injeção MPa 215183158152 Velocidade máx. da rosca r/min 192 UNIDADE DE APERTO Força de fechamento kN 3600 Curso de abertura mm 700 Distância entre colunas (H×V) mm 730×680 Tamanho do gabarito mm 1030×970 Altura máxima do molde mm 720 Altura mínima do molde mm 250 Curso ejetor mm 200 Força ejetora kN 102 Pontos de ejeção 13 OUTROS Pressão máxima da bomba MPa 17.5 Potência do motor da bomba kW 50.7 Capacidade de aquecimento kW 22.8 Volume do tanque de óleo L 560 Dimensões da máquina (L×W×H) m 7.1×1.9×2.35 Peso da máquina T 12.5 Dimensões da área da placa:
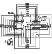
IJTS410 Veja as especificações ESPECIFICAÇÃO UNID IJTS410 UNIDADE DE INJEÇÃO ABC Diâmetro da rosca mm 707580 Relação L/D da rosca L/D 21.42019 Volume teórico de injeção cm³ 150117231960 Peso de injeção (PS) g 136615681784 Pressão da injeção MPa 199173152 Velocidade máx. da rosca r/min 172 UNIDADE DE APERTO Força de fechamento kN 4100 Curso de abertura mm 720 Distância entre colunas (H×V) mm 730×730 Tamanho do gabarito mm 1040×1040 Altura máxima do molde mm 780 Altura mínima do molde mm 300 Curso ejetor mm 180 Força ejetora kN 113 Pontos de ejeção 13 OUTROS Pressão máxima da bomba MPa 17.5 Potência do motor da bomba kW 60.5 Capacidade de aquecimento kW 29.5 Volume do tanque de óleo L 700 Dimensões da máquina (L×W×H) m 7.4×1.9×2.35 Peso da máquina T 14.5 Dimensões da área da placa:
IJTS450 Veja as especificações ESPECIFICAÇÃO UNID IJTS450 UNIDADE DE INJEÇÃO ABCD Diâmetro da rosca mm 70758075 Relação L/D da rosca L/D 23.52220.618.3 Volume teórico de injeção cm³ 1501172319601727 Peso de injeção (PS) g 1366156817841572 Pressão da injeção MPa 199173152191 Velocidade máx. da rosca r/min 169 UNIDADE DE APERTO Força de fechamento kN 4500 Curso de abertura mm 760 Distância entre colunas (H×V) mm 780×780 Tamanho do gabarito mm 1040×1040 Altura máxima do molde mm 860 Altura mínima do molde mm 250 Curso ejetor mm 185 Força ejetora kN 113 Pontos de ejeção 13 OUTROS Pressão máxima da bomba MPa 17.5 Potência do motor da bomba kW 60.5 Capacidade de aquecimento kW 29.5 Volume do tanque de óleo L 700 Dimensões da máquina (L×W×H) m 7.5×1.95×2.4 Peso da máquina T 16 Dimensões da área da placa:
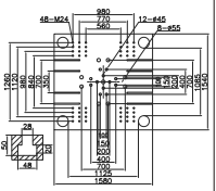
IJTS550 Veja as especificações ESPECIFICAÇÃO UNID IJTS550 UNIDADE DE INJEÇÃO ABCD Diâmetro da rosca mm 80859095 Relação L/D da rosca L/D 23212019 Volume teórico de injeção cm³ 1965221924872544 Peso de injeção (PS) g 1788201922642315 Pressão da injeção MPa 168148132180 Velocidade máx. da rosca r/min 155 UNIDADE DE APERTO Força de fechamento kN 5500 Curso de abertura mm 860 Distância entre colunas (H×V) mm 870×810 Tamanho do gabarito mm 1225×1185 Altura máxima do molde mm 830 Altura mínima do molde mm 360 Curso ejetor mm 225 Força ejetora kN 152 Pontos de ejeção 17 OUTROS Pressão máxima da bomba MPa 17.5 Potência do motor da bomba kW 60.5 Capacidade de aquecimento kW 33.5 Volume do tanque de óleo L 900 Dimensões da máquina (L×W×H) m 8.5×2.2×2.7 Peso da máquina T 19 Dimensões da área da placa:
IJTS650 Veja as especificações ESPECIFICAÇÃO UNID IJTS650 UNIDADE DE INJEÇÃO ABCD Diâmetro da rosca mm 10010595100 Relação L/D da rosca L/D 23212019 Volume teórico de injeção cm³ 2834314025442834 Peso de injeção (PS) g 2579285723152579 Pressão da injeção MPa 162146180162 Velocidade máx. da rosca r/min 149 UNIDADE DE APERTO Força de fechamento kN 6500 Curso de abertura mm 925 Distância entre colunas (H×V) mm 925×875 Tamanho do gabarito mm 1360×1310 Altura máxima do molde mm 900 Altura mínima do molde mm 330 Curso ejetor mm 295 Força ejetora kN 152 Pontos de ejeção 17 OUTROS Pressão máxima da bomba MPa 17.5 Potência do motor da bomba kW 40.9+40.9 Capacidade de aquecimento kW 42.8 Volume do tanque de óleo L 1100 Dimensões da máquina (L×W×H) m 10.2×2.2×2.8 Peso da máquina T 27 Dimensões da área da placa:
IJTS800 Veja as especificações ESPECIFICAÇÃO UNID IJTS800 UNIDADE DE INJEÇÃO ABCD Diâmetro da rosca mm 9095105110 Relação L/D da rosca L/D 23212018.5 Volume teórico de injeção cm³ 2925325939824369 Peso de injeção (PS) g 2662296636233977 Pressão da injeção MPa 194174143130 Velocidade máx. da rosca r/min 150 UNIDADE DE APERTO Força de fechamento kN 8000 Curso de abertura mm 1000 Distância entre colunas (H×V) mm 1020×970 Tamanho do gabarito mm 1505×1365 Altura máxima do molde mm 960 Altura mínima do molde mm 400 Curso ejetor mm 280 Força ejetora kN 210 Pontos de ejeção 17 OUTROS Pressão máxima da bomba MPa 17.5 Potência do motor da bomba kW 50.7+50.7 Capacidade de aquecimento kW 54.3 Volume do tanque de óleo L 1200 Dimensões da máquina (L×W×H) m 11.4×2.4×3.14 Peso da máquina T 38 Dimensões da área da placa:
IJTS1000 Veja as especificações ESPECIFICAÇÃO UNID IJTS1000 UNIDADE DE INJEÇÃO ABCD Diâmetro da rosca mm 95100105110 Relação L/D da rosca L/D 23212018.5 Volume teórico de injeção cm³ 3544392743304752 Peso de injeção (PS) g 3225357339404324 Pressão da injeção MPa 190171155141 Velocidade máx. da rosca r/min 125 UNIDADE DE APERTO Força de fechamento kN 10000 Curso de abertura mm 1250 Distância entre colunas (H×V) mm 1125×1085 Tamanho do gabarito mm 1580×1540 Altura máxima do molde mm 1100 Altura mínima do molde mm 500 Curso ejetor mm 335 Força ejetora kN 210 Pontos de ejeção 17 OUTROS Pressão máxima da bomba MPa 17.5 Potência do motor da bomba kW 50.7+60.5 Capacidade de aquecimento kW 58.3 Volume do tanque de óleo L 1400 Dimensões da máquina (L×W×H) m 11.7×2.8×3 Peso da máquina T 46 Dimensões da área da placa:
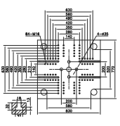
IJTS1250 Veja as especificações ESPECIFICAÇÃO UNID IJTS1250 UNIDADE DE INJEÇÃO ABCD Diâmetro da rosca mm 105115125135 Relação L/D da rosca L/D 22201917 Volume teórico de injeção cm³ 4814577568237958 Peso de injeção (PS) g 4381525562097242 Pressão da injeção MPa 208173147126 Velocidade máx. da rosca r/min 120 UNIDADE DE APERTO Força de fechamento kN 12500 Curso de abertura mm 1200 Distância entre colunas (H×V) mm 1260×1200 Tamanho do gabarito mm 1760×1700 Altura máxima do molde mm 1300 Altura mínima do molde mm 500 Curso ejetor mm 325 Força ejetora kN 245 Pontos de ejeção 21 OUTROS Pressão máxima da bomba MPa 17.5 Potência do motor da bomba kW 60.5+60.5 Capacidade de aquecimento kW 60 Volume do tanque de óleo L 2000 Dimensões da máquina (L×W×H) m 11.5×2.6×2.85 Peso da máquina T 54 Dimensões da área da placa: